Описание
Характеристики
Отзывы
Описание
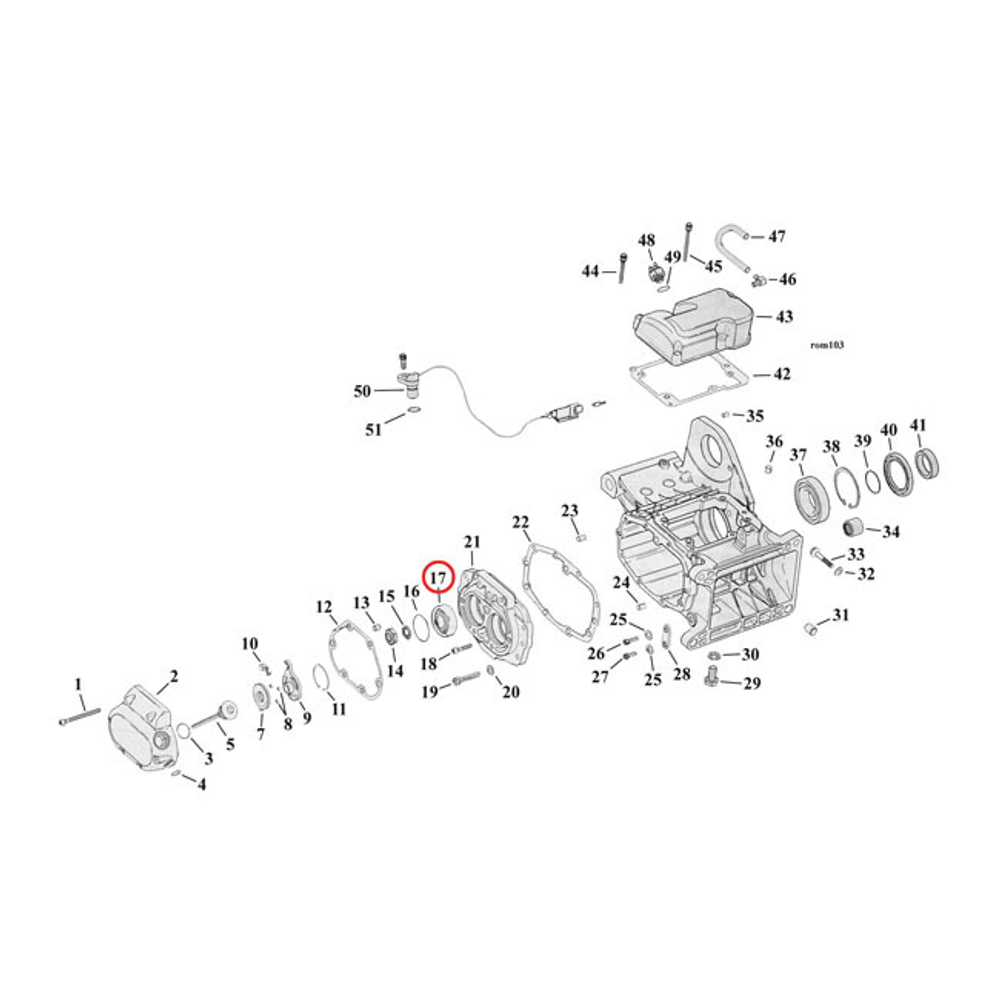
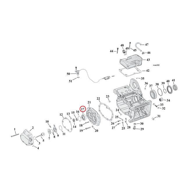
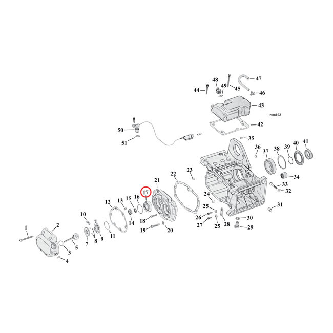
Motorcyclestorehouse Подшипник корпуса КПП, балнсирного вала.
Замена OEM номеров: 8992
Применяется на следующих моделях HARLEY-DAVIDSON:
Корпус КПП: 99-06 Big Twin (кроме 2006 Dyna)
Балансирный вал: 07-17 Softail
Характеристики
Код товара
507698
Производитель
Motorcyclestorehouse
Артикул производителя
507698
Артикул Harley-Davidson
8992
Отзывы
Отзывов еще никто не оставлял
Ранее просмотренные

