Описание
Характеристики
Отзывы
Описание
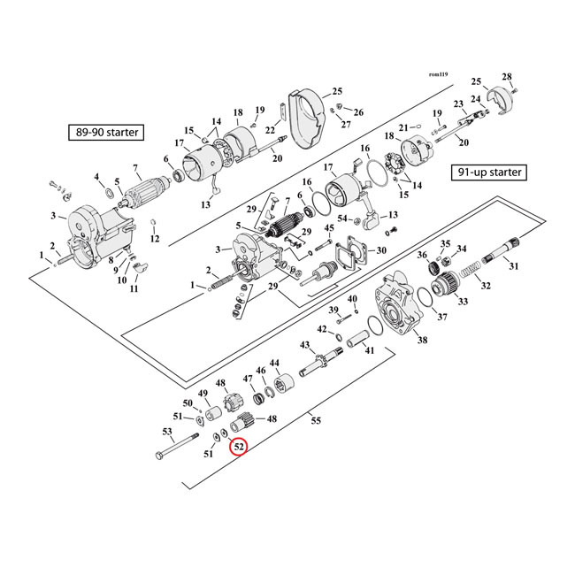
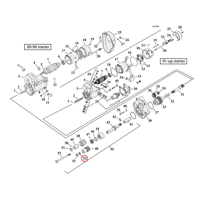
Motorcyclestorehouse Уплотнительная шайба бендикса.
Замена OEM номеров: 31430-94
Применяется на следующих моделях HARLEY-DAVIDSON:
94-06 Big Twin (кроме 2006 Dyna)
Характеристики
Код товара
918238
Производитель
Motorcyclestorehouse
Артикул производителя
918238
Артикул Harley-Davidson
31430-94
Отзывы
Отзывов еще никто не оставлял
Ранее просмотренные

